+86 18768505163

LKZ 12-12-900W Ventiladores centrífugos CA sin escobillas de alta resistencia

INICIO / Productos / Ventiladores centrífugos de CA / LKZ 12-12-900W Ventiladores centrífugos CA sin escobillas de alta resistencia

  • LKZ 12-12-900W Ventiladores centrífugos CA sin escobillas de alta resistencia
  • LKZ 12-12-900W Ventiladores centrífugos CA sin escobillas de alta resistencia
  • LKZ 12-12-900W Ventiladores centrífugos CA sin escobillas de alta resistencia

LKZ 12-12-900W Ventiladores centrífugos CA sin escobillas de alta resistencia

1. El impulsor utiliza un diseño de acero galvanizado curvado hacia adelante. La forma de pala cuidadosamente optimizada y curvada hacia adelante ofrece una aerodinámica excelente, dirigiendo eficazmente el flujo de aire y mejorando la eficiencia del suministro de aire.
2. Disponible en configuraciones de 110 V/60 Hz, 220 V/50 Hz y 380 V/50 Hz, este diseño mejora enormemente la versatilidad del producto, adaptándose a los requisitos de voltaje de diferentes regiones y equipos industriales sin requerir una conversión de voltaje compleja.
3. Funciona de manera estable en un amplio rango de temperaturas de -25°C a 60°C, cumpliendo con los requisitos de ventilación, enfriamiento y flujo de aire bajo diferentes temperaturas de funcionamiento.
4. Este ventilador centrífugo industrial también ofrece los atributos funcionales de circulación, ventilación y escape del enfriador de aire.

Datos principales:

Condición No. Presión estática de la cámara de aire (Pa) Flujo de aire (m³/h) Presión total de la cámara de aire (Pa) Corriente (A) Velocidad (r/min) Potencia (W)
1 423.53 114.5 439.57 3.04 974 645
2 367.22 528.41 383.27 3.09 972 663
3 345.07 847.7 361.11 3.18 970 685
4 306.34 2049.81 322.38 3.69 955 795
5 266.06 2796.06 282.11 4.08 940 882
6 213.78 4899.77 229.84 5.53 882 1205
7 180.27 5268.82 196.33 5.86 860 1265
8 107.3 5772.34 123.35 6.4 815 1400
9 77.91 5922.41 93.97 6.6 790 1439
10 38.64 6092.08 54.69 6.85 758 1500

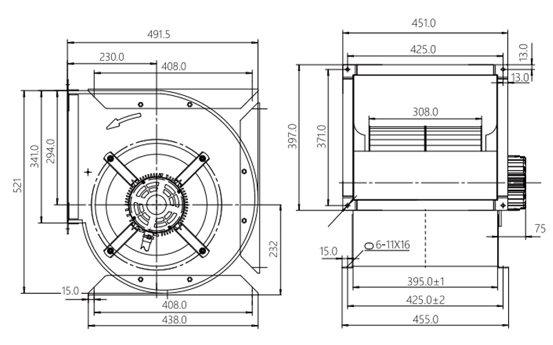
Tamaño del producto:

Curva:



SOBRE NOSOTROS
Yuyao Jiale Ventilación Equipment Co., Ltd.

Yuyao Jiale Ventilación Equipment Co., Ltd. es un fabricante y procesador profesional de productos de aire acondicionado para terminales de aire acondicionado central, como ventiladores centrífugos, ventiladores de purificación de aire, extractores de aire, ventiladores de deshumidificación y ventiladores de entrada de aire única de techo.

La empresa tiene una rica experiencia en la investigación, desarrollo y producción de ventiladores e impulsores centrífugos delanteros. Adopta estructuras de accionamiento de motores AC y EC monofásicos acoplados directamente y ha proporcionado una variedad de productos de alta calidad y soluciones de ventilación profesionales para empresas de renombre mundial. Los ventiladores centrífugos cuentan con alta eficiencia, bajo nivel de ruido, conveniente regulación de velocidad y pequeño espacio estructural. Son productos de soporte ideales para unidades de aire acondicionado de volumen de aire variable, unidades de aire acondicionado de conductos, sistemas HVACR y sistemas de aire fresco, equipos de purificación de aire, etc. Nuestra integridad, resistencia y calidad del producto han sido altamente reconocidas por la industria. Bienvenidos amigos de todos los ámbitos de la vida para visitar, guiar y llevar a cabo negociaciones comerciales

Certificado de honor
  • Carta de autorización
  • Certificación del sistema de gestión de calidad
  • Certificado
Noticias